Industry applications: textile machinery, bending machinery, printing machinery, metallurgical industry, elevators
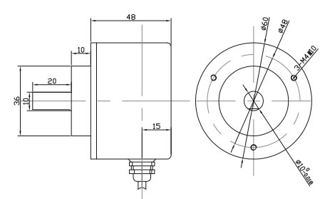
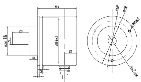
Product structure: Solid shaft
Outer diameter (mm): 58mm
Detection type: photoelectric sampling
Resolution Singleturn:13 bit
Working voltage: 8 – 32 VDC

